Skip to content

The 2026 Sidecar Rally registration is now open! Click here: USCA 2026 Rally Registration Form

 

Sidecar Light Quest...
 
Notifications
Clear all

Sidecar Light Question

5 Posts
4 Users
0 Reactions
465 Views
(@deltamark)
Posts: 6
Active Member
Topic starter
 

Hello all,

I am about to enter the sidecar world and have a question about a sidecar tail light / brake light setup. I'm currently having a 2002 Ural sidecar frame professionally installed on a 2014 Honda CB1100. When I get the rig back, I'll have to remount the tub and fender with the tail light / brake light. I'm guessing that the sidecar fender light should be set up as a tail light and brake light, correct? If so, can I just splice wires from the bike's tail /brake light and run them to the sidecar light? Also, is this sidecar light typically setup as a right turn signal? If so, I'm wondering how this is done? Any advice or info would be appreciated.


 
Posted : February 28, 2018 9:02 am
(@jaydmc)
Posts: 1774
Noble Member
 

From a legal point of view no lights are required at all on the sidecar UNLESS the sidecar blocks the view of the bikes lights as out lined in federal code. From a practical point of view, any thing you can do help people see you and indicate what your intentions are the better. Your bike as far as I can remember is not a CAMBUS type of bike meaning you have a fuse box and a computer is not involved in your lighting. If it was a CAMBUS system things would have to be done different. You can usually tie the brake and tail lights onto the stock system with no issues at all however if you find you are blowing fuses as you have to much of a draw you can either add a relay (can be some what complex to do so) or you can switch over to LED bulbs with draw less current. On the turn signals changing to LED bulbs can be problematic as the flasher does not always work. There are ways to work around this. If you want a turn signal on the sidecar you should disable the right turn signal on the bike so that people do not think you have turned on your flashers rather then your turn signal.
And when working with electricity remember "resistance is futile." (never miss a chance for a star trek quote)
Jay G
DMC sidecars
866-638-1793
www.dmcsidecars.com


 
Posted : March 1, 2018 7:15 am
(@oldschool_iscool)
Posts: 463
Reputable Member
 

Hey DeltaMark,

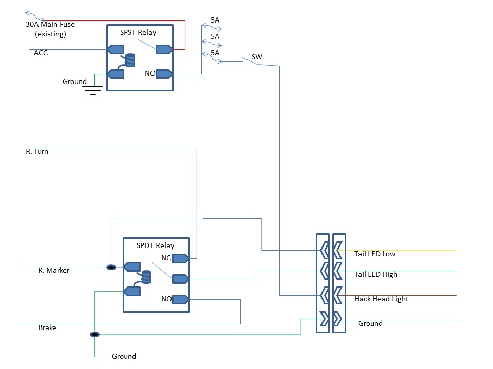
I'm not sure this is helpful as my tug (1982 Goldwing) and tub (70's sidecar) are way different then your rig. Here is a DIY wiring diagram I came up with that uses a single LED light in the fender. The light has two intensities (Tail LED High) and (Tail LED Low). The top relay is there for the (Hack Head Light) which may not concern you.

The bottom relay triggers off the right side marker light (R.marker) circuit. The marker light is normally energized unless the right turn (R.turn) signal is on. So, with (R.turn) off, (R.marker) is on, pulling the relay closed. With the relay closed, (Brake) is passed thru to (Tail LED High). When (R.turn) is activated, (R.marker) and thus the relay, is off. The relay then passes (R.Turn) to (Tail LED High). I use a trailer-type flat-four wire connector as a quick connect. That's what the two rectangles on the right with all the chevrons is supposed to be.

Hope this Helps

Attached files


 
Posted : March 1, 2018 7:31 am
(@deltamark)
Posts: 6
Active Member
Topic starter
 

Jay and OldSchool,

Thanks very much! Great info. I’ll probably stick with the stock non-LED bulbs to start. Great point about disabling the bike’s right turn signal if I do a turn signal on the sidecar.

I like your setup, OldSchool. I will print and study that diagram and see what I can come up with.


 
Posted : March 1, 2018 10:41 am
(@Anonymous)
Posts: 0
 

Did my Shadow lights pretty much like Jay said. (Now I know he's a Trekkie, I got another reason to buy my dream hack from him... LOL) I take the bulb out of the bike RT, used to store it in the housing but decided too big of a chance of shorting out.

However- be careful trying to do like OldSchool said without relays. He did it right, but you absolutely need all that complicated extra stuff. Most bikes (back when anyhow, now there's all sorts of configurations) are 5 wire, cars are 4-wire. You have separate stop and turn outputs on a bike, but cars use the same stop output for turn signals, simply turning both sides on when stopping. If you try that on a bike without relays, you end up back feeding, and you get hazard flashers instead of turn signals.

My setup has a light/dark red light for tail/stop, and a separate amber for turn. I used a side marker light from one of the auto stores (O'Reilly's maybe?), but replaced the low wattage bulb with a higher wattage bulb so the turn signal system would work properly. I haven't actually tried that fix yet, but it should theoretically work, I calculated the resistance and the other bulb that fit was readily available. I also mounted a spot light on the car with a switch on the handlebar. Due to a problem that caused a refit with an electrical junction box, I installed a switch of every color the store had on the handlebar... My daughter called it 'what happens when an electrician gets bored'... And I have switches for pretty much everything on the bike, mostly just because I can. I don't need relays that way, so I don't use them.


 
Posted : March 2, 2018 2:43 am